HỆ LÁI THỦY LỰC CHO MÁY TRONG LS 240
Liên hệ
Hệ thống lái thủy lực máy trong LS-240 của Lecomble & Schmitt là sản phẩm được tin dùng hàng đầu. Với thiết kế tinh tế, độ bền vượt trội và hiệu suất ấn tượng, hệ thống này mang lại trải nghiệm lái mượt mà và an toàn cho người dùng
Mô tả
Hệ thống lái thủy lực máy trong Lecomble & Schmitt là hệ lái được thiết kế đặc biệt để đáp ứng nhu cầu của các chủ tàu thuyền du lịch, thể thao và câu cá.
Với công nghệ tiên tiến và chất lượng vượt trội, hệ thống lái thủy lực Lecomble & Schmitt mang lại trải nghiệm điều khiển tàu thuyền mượt mà, an toàn và hiệu quả.

Hệ thống lái thủy lực máy trong Lecomble & Schmitt với xi lanh thủy lực VHM 50 DTP được thiết kế đặc biệt cho các loại tàu thuyền du lịch, tàu thuyền giải trí, thể thao và câu cá với chiều dài từ 8 mét trở lên và tốc độ lớn hơn 25 hải lý/giờ. Với sự kết hợp giữa bơm và xi-lanh thủy lực, hệ thống này cho phép thực hiện chuyển động hoàn chỉnh từ mạn trái sang mạn phải chỉ trong “6.6 vòng quay”.
Lợi ích nổi bật của hệ thống lái thủy lực máy trong Lecomble & Schmitt:
– Công suất mạnh mẽ: Hệ thống lái thủy lực LS mang lại lực lái mạnh mẽ hơn so với hệ thống lái cáp truyền thống.
– Dễ dàng bảo trì: Thiết kế đơn giản giúp việc bảo trì và sửa chữa trở nên dễ dàng hơn.
– Độ bền cao: Nhờ sử dụng vật liệu chất lượng cao, hệ thống ít bị hao mòn theo thời gian.
– Tiết kiệm không gian: Thiết kế gọn nhẹ, chiếm ít không gian lắp đặt trên tàu thuyền.
– Tăng cường sự thoải mái: Hệ thống mang lại sự linh hoạt và dễ dàng khi điều khiển, giúp người lái thao tác nhẹ nhàng và chính xác.
Thông số kỹ thuật hệ thống lái thủy lực máy trong Lecomble & Schmitt
– Loại tàu phù hợp: Tàu thuyền du lịch, thể thao, thuyền câu.
– Thành phần tiêu chuẩn: Bộ kít bao gồm đầy đủ các thành phần như bơm lái, xi-lanh thủy lực, ống dẫn và phụ kiện kết nối.
– Tương thích: Hệ thống lái thủy lực LS tương thích với mọi loại tàu thuyền mà không cần điều chỉnh.
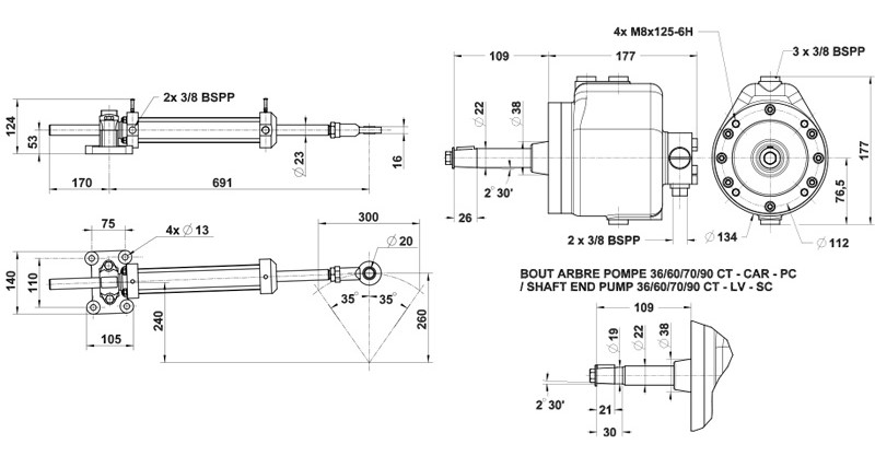
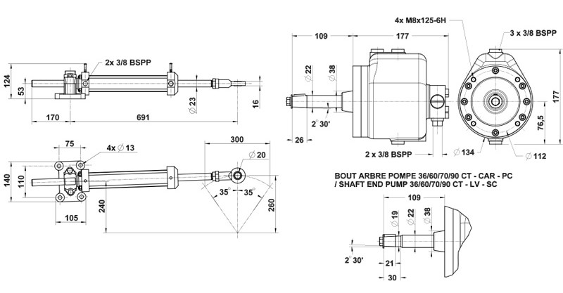
– Hành trình: 300 mm
– Thể tích: 464 cc
– Mô-men xoắn tối đa: 240 m.kg
– Áp suất tối đa: 60 bar
– Bán kính cần lái: 260 mm
– Góc lái tổng: 70 °
– Trọng lượng: 5,8 kg














